John Deere 950 Radiator Cap

Amazon Com Radiator Cap New Replaces John Deere Yanmar Ch18207 121120 44590 Home Improvement

Amazon Com Radiator Cap New Replaces John Deere Yanmar Ch18207 121120 44590 Home Improvement

John Deere Radiator Cap Tp Ch18207 At Tractor Supply Co

John Deere Radiator Cap Tp Ch18207 At Tractor Supply Co

Radiator Cap Ch18207 Ch10427 John Deere Compact Tractor Parts

Radiator Cap Ch18207 Ch10427 John Deere Compact Tractor Parts

John Deere Tractor Parts 950 Cooling All States Ag Parts

John Deere Tractor Parts 950 Cooling All States Ag Parts

Amazon Com At173610 Radiator Cap Fits John Deere 240 250 260 270 280 318d 320d 323d 326 328d Industrial Scientific

Amazon Com At173610 Radiator Cap Fits John Deere 240 250 260 270 280 318d 320d 323d 326 328d Industrial Scientific

850 950 Radiator 8 Tractor Compact Utility John Deere 1050 Tractor Compact Utility 850 16001 950 20001 And 1050 11001 Compact Utility Tractors 20 Engine 20 850 950 Radiator 8 777parts

850 950 Radiator 8 Tractor Compact Utility John Deere 1050 Tractor Compact Utility 850 16001 950 20001 And 1050 11001 Compact Utility Tractors 20 Engine 20 850 950 Radiator 8 777parts

850 950 Radiator 8 Tractor Compact Utility John Deere 1050 Tractor Compact Utility 850 16001 950 20001 And 1050 11001 Compact Utility Tractors 20 Engine 20 850 950 Radiator 8 777parts

Replaces oem numbers 12250 44501 122250 44501 ch19293 ch12622 ch14024 part no.

John deere 950 radiator cap. It is 19 1 8 inches high and 15 3 8 wide. The original price of the john deere 950 tractor was 12 000 1988. 300b fits john deere 1020 1030 1030u 1030vu 1035 1035ef 1035ev 1040 1140 2150 2155. 365892r91 d61885 jd industrial fits.

7 psi radiator cap international farmall fits. Only 1 left in stock order soon. Be sure to look for any serial number comments in the part fit notes. Radiator new used on yanmar built john deere models 850 900hc and 950 this new radiator comes with a cap.

It is 19 1 8 inches high and 15 3 8 wide. Radiator new used on yanmar built john deere models 850 900hc and 950 this new radiator comes with a cap. Tractorjoe has plenty of john deere 950 parts to keep it running. Buy radiator cap john deere 1050 330 655 755 850 855 950 955 430 650 750 5520 532.

Cub 1975 1979 with sn 248125 and up with 7 psi cap and a 1 inch long radiator neck use with 352903r92 radiator. Replaces oem numbers 12250 44501 122250 44501 ch19293 ch12622 ch14024 part no. In 1978 the very first john deere 950 tractors went out. If you got it for less you found a great deal.

5 0 out of 5 stars 1.

Amazon Com Radiator Cap Safety Release John Deere 1600 345 355d 425 Lawn Tractor 445 1050 670 770 870 970 1070 455 790 4100 2305 1070 Compact 1600 345 355d 425 Lawn Tractor 445 Industrial Scientific

Amazon Com Radiator Cap Safety Release John Deere 1600 345 355d 425 Lawn Tractor 445 1050 670 770 870 970 1070 455 790 4100 2305 1070 Compact 1600 345 355d 425 Lawn Tractor 445 Industrial Scientific

950 John Deere Question

950 John Deere Question

Service Engine

Service Engine

850 950 Fuel Tank 9 Tractor Compact Utility John Deere 950 Tractor Compact Utility 850 16001 950 20001 And 1050 11001 Compact Utility Tractors 30 Fuel And Air 30 850 950 Fuel Tank 9 777parts

850 950 Fuel Tank 9 Tractor Compact Utility John Deere 950 Tractor Compact Utility 850 16001 950 20001 And 1050 11001 Compact Utility Tractors 30 Fuel And Air 30 850 950 Fuel Tank 9 777parts

John Deere 950 Yanmar 3t90j Oil In Radiator Page 2

John Deere 950 Yanmar 3t90j Oil In Radiator Page 2

John Deere A B G Radiator Cap W Gasket Pres System Aa3489r

John Deere A B G Radiator Cap W Gasket Pres System Aa3489r

John Deere Tractor Parts 850 Cooling All States Ag Parts

John Deere Tractor Parts 850 Cooling All States Ag Parts

6329 Rotating Radiator Screen D24 Engine Combine John Deere 950 Engine Combine Engine 6329dz02 Dz07 6359dc01 Tz01 For Combines 950 960 970 25 Radiator Support 6329 Rotating Radiator Screen D24 777parts

6329 Rotating Radiator Screen D24 Engine Combine John Deere 950 Engine Combine Engine 6329dz02 Dz07 6359dc01 Tz01 For Combines 950 960 970 25 Radiator Support 6329 Rotating Radiator Screen D24 777parts

Oem Ch19293 Ch12622 Ch14024 2 Row Radiator For John Deere 850 900hc 950 Tractor Ebay

Oem Ch19293 Ch12622 Ch14024 2 Row Radiator For John Deere 850 900hc 950 Tractor Ebay

1050 Hydraulic Lines 02b03 Tractor Compact Utility John Deere 850 Tractor Compact Utility 850 16001 950 20001 And 1050 11001 Compact Utility Tractors 70 Hydraulics 70 1050 Hydraulic Lines 02b03 777parts

1050 Hydraulic Lines 02b03 Tractor Compact Utility John Deere 850 Tractor Compact Utility 850 16001 950 20001 And 1050 11001 Compact Utility Tractors 70 Hydraulics 70 1050 Hydraulic Lines 02b03 777parts

John Deere 650 750 850 950 1050 Tractor Fuel Tank Cap Ebay

John Deere 650 750 850 950 1050 Tractor Fuel Tank Cap Ebay

850 950 Rear Axle Housing 8 Tractor Compact Utility John Deere 850 Tractor Compact Utility 850 16001 950 20001 And 1050 11001 Compact Utility Tractors 50 Power Train 50 850 950 Rear Axle Housing 8 777parts

850 950 Rear Axle Housing 8 Tractor Compact Utility John Deere 850 Tractor Compact Utility 850 16001 950 20001 And 1050 11001 Compact Utility Tractors 50 Power Train 50 850 950 Rear Axle Housing 8 777parts

John Deere 950 Tractor Radiator Oem Ch14206 Ebay

John Deere 950 Tractor Radiator Oem Ch14206 Ebay

Pin On Steampunk Lighting

Pin On Steampunk Lighting

950 1050 Gears And Left Hand Final Drive Housing Mfwd 01h13 Tractor Compact Utility John Deere 1050 Tractor Compact Utility 850 16001 950 20001 And 1050 11001 Compact Utility Tractors 50

950 1050 Gears And Left Hand Final Drive Housing Mfwd 01h13 Tractor Compact Utility John Deere 1050 Tractor Compact Utility 850 16001 950 20001 And 1050 11001 Compact Utility Tractors 50

Selective Control Valve Levers And Bracket 9 Tractor Compact Utility John Deere 950 Tractor Compact Utility 850 16001 950 20001 And 1050 11001 Compact Utility Tractors 70 Hydraulics 70 Selective Control Valve Levers And Bracket 9

Selective Control Valve Levers And Bracket 9 Tractor Compact Utility John Deere 950 Tractor Compact Utility 850 16001 950 20001 And 1050 11001 Compact Utility Tractors 70 Hydraulics 70 Selective Control Valve Levers And Bracket 9

Drawbar 02d07 Tractor Compact Utility John Deere 950 Tractor Compact Utility 850 16001 950 20001 And 1050 11001 Compact Utility Tractors 70 Hydraulics 70 Drawbar 02d07 777parts

Drawbar 02d07 Tractor Compact Utility John Deere 950 Tractor Compact Utility 850 16001 950 20001 And 1050 11001 Compact Utility Tractors 70 Hydraulics 70 Drawbar 02d07 777parts

John Deere Radiator Cap New Combineparts Com

John Deere Radiator Cap New Combineparts Com

850 950 Hydraulic Lines 02b01 Tractor Compact Utility John Deere 850 Tractor Compact Utility 850 16001 950 20001 And 1050 11001 Compact Utility Tractors 70 Hydraulics 70 850 950 Hydraulic Lines 02b01 777parts

850 950 Hydraulic Lines 02b01 Tractor Compact Utility John Deere 850 Tractor Compact Utility 850 16001 950 20001 And 1050 11001 Compact Utility Tractors 70 Hydraulics 70 850 950 Hydraulic Lines 02b01 777parts

Steering Shaft Danfoss 01g22 Combine John Deere 950 Combine Combines 950 960 970 37 Steering And Lift Cylinder Hydraulic Steering Shaft Danfoss 01g22 777parts

Steering Shaft Danfoss 01g22 Combine John Deere 950 Combine Combines 950 960 970 37 Steering And Lift Cylinder Hydraulic Steering Shaft Danfoss 01g22 777parts

950 1050 Front Differential Drive Shaft Mfwd 01g18 Tractor Compact Utility John Deere 850 Tractor Compact Utility 850 16001 950 20001 And 1050 11001 Compact Utility Tractors 50 Power Train 50 950 1050 Front Differential Drive

950 1050 Front Differential Drive Shaft Mfwd 01g18 Tractor Compact Utility John Deere 850 Tractor Compact Utility 850 16001 950 20001 And 1050 11001 Compact Utility Tractors 50 Power Train 50 950 1050 Front Differential Drive

Radiator For Massey Ferguson Mf 135 148 20 203 205 35 Industrial 2135 Radiators Heavy Equipment Radiator Cap

Radiator For Massey Ferguson Mf 135 148 20 203 205 35 Industrial 2135 Radiators Heavy Equipment Radiator Cap

Hydraulics From Tractor To Loader 850 950 And 1050 Tractors A13 Loader Tractor Mounted John Deere 80 Loader Tractor Mounted 80 Tractor Mounted Loader Hydraulics From Tractor To Loader 850 950 And 1050 Tractors A13 777parts

Hydraulics From Tractor To Loader 850 950 And 1050 Tractors A13 Loader Tractor Mounted John Deere 80 Loader Tractor Mounted 80 Tractor Mounted Loader Hydraulics From Tractor To Loader 850 950 And 1050 Tractors A13 777parts

For Yanmar 3t90l 3t90t 3t90 Cylinder Head Assy Used Part For John Deere 950 1050 Tractors 3t90 J Diesel Engine Parts Part Aliexpress

For Yanmar 3t90l 3t90t 3t90 Cylinder Head Assy Used Part For John Deere 950 1050 Tractors 3t90 J Diesel Engine Parts Part Aliexpress

Pin On Tractor John Deere 1050

Pin On Tractor John Deere 1050

Ad Ebay Url 15371 72060 15553 72060 Kubota B6100d B6100e B6100hst Dt B7100d Radiator Cap In 2020 Radiator Cap Kubota Aluminum Radiator

Ad Ebay Url 15371 72060 15553 72060 Kubota B6100d B6100e B6100hst Dt B7100d Radiator Cap In 2020 Radiator Cap Kubota Aluminum Radiator

850 Front Drive Shaft Mfwd 01g24 Tractor Compact Utility John Deere 850 Tractor Compact Utility 850 16001 950 20001 And 1050 11001 Compact Utility Tractors 50 Power Train 50 850 Front Drive Shaft Mfwd 01g24 777parts

850 Front Drive Shaft Mfwd 01g24 Tractor Compact Utility John Deere 850 Tractor Compact Utility 850 16001 950 20001 And 1050 11001 Compact Utility Tractors 50 Power Train 50 850 Front Drive Shaft Mfwd 01g24 777parts

John Deere 60 Mower Deck Gear Box Pulley Fits 650 750 850 955 950 655 755 855 For Sale Online

John Deere 60 Mower Deck Gear Box Pulley Fits 650 750 850 955 950 655 755 855 For Sale Online

John Deere 850 900hc 950 1050 Tractors Service Technical Manual Tm1192 A Repair Manual Store

John Deere 850 900hc 950 1050 Tractors Service Technical Manual Tm1192 A Repair Manual Store

John Deere 850 950 Diesel Fuel Tank Parting Out Tractor Ebay

John Deere 850 950 Diesel Fuel Tank Parting Out Tractor Ebay

850 950 Power Steering Cylinder And Valve 01i12 Tractor Compact Utility John Deere 1050 Tractor Compact Utility 850 16001 950 20001 And 1050 11001 Compact Utility Tractors 60 Steering And Brakes 60 850 950 Power Steering Cylinder

850 950 Power Steering Cylinder And Valve 01i12 Tractor Compact Utility John Deere 1050 Tractor Compact Utility 850 16001 950 20001 And 1050 11001 Compact Utility Tractors 60 Steering And Brakes 60 850 950 Power Steering Cylinder

Turf Wheels And Tires 4 Tractor Compact Utility John Deere 850 Tractor Compact Utility 850 16001 950 20001 And 1050 11001 Compact Utility Tractors 80 Frame Wheels Non Powered Axles And Sheet Metal 80 Turf Wheels And Tires 4

Turf Wheels And Tires 4 Tractor Compact Utility John Deere 850 Tractor Compact Utility 850 16001 950 20001 And 1050 11001 Compact Utility Tractors 80 Frame Wheels Non Powered Axles And Sheet Metal 80 Turf Wheels And Tires 4

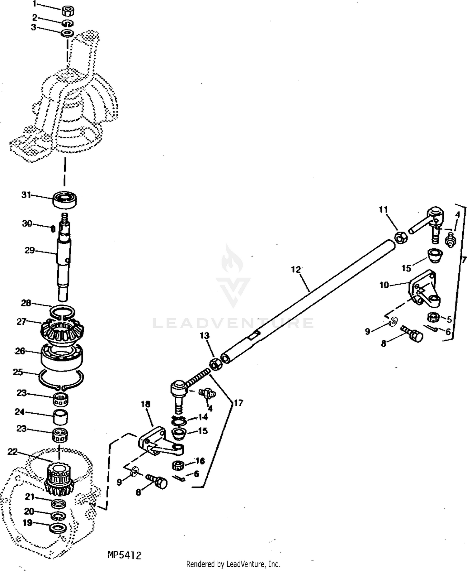
1050 Steering Arm And Drag Link Australia And New Zealand 015336 01i03 Tractor Compact Utility John Deere 950 Tractor Compact Utility 850 16001 950 20001 And 1050 11001 Compact

1050 Steering Arm And Drag Link Australia And New Zealand 015336 01i03 Tractor Compact Utility John Deere 950 Tractor Compact Utility 850 16001 950 20001 And 1050 11001 Compact

850 Right Hand Front Axle Steering Arm And Drive Housing Mfwd 01h03 Tractor Compact Utility John Deere 950 Tractor Compact Utility 850 16001 950 20001 And 1050 11001 Compact Utility

850 Right Hand Front Axle Steering Arm And Drive Housing Mfwd 01h03 Tractor Compact Utility John Deere 950 Tractor Compact Utility 850 16001 950 20001 And 1050 11001 Compact Utility

1050 Rockshaft Control Lever 8 Tractor Compact Utility John Deere 1050 Tractor Compact Utility 850 16001 950 20001 And 1050 11001 Compact Utility Tractors 70 Hydraulics 70 1050 Rockshaft Control Lever 8 777parts

1050 Rockshaft Control Lever 8 Tractor Compact Utility John Deere 1050 Tractor Compact Utility 850 16001 950 20001 And 1050 11001 Compact Utility Tractors 70 Hydraulics 70 1050 Rockshaft Control Lever 8 777parts

Headlight Assembly For John Deere 850 950 1050 1250 1450 1650 Tractor Ch11323 For Sale Online Ebay

Headlight Assembly For John Deere 850 950 1050 1250 1450 1650 Tractor Ch11323 For Sale Online Ebay

361704r93 Tractor Radiator Fits Case 300 350 International Farmall Models Ebay In 2020 Farmall Tractors Aluminum Radiator Farmall

361704r93 Tractor Radiator Fits Case 300 350 International Farmall Models Ebay In 2020 Farmall Tractors Aluminum Radiator Farmall

Chill Out Your Cooling System

Chill Out Your Cooling System

Selective Control Valve Housing Cessna 30932 Cav 10 Tractor Compact Utility John Deere 1050 Tractor Compact Utility 850 16001 950 20001 And 1050 11001 Compact Utility Tractors 70 Hydraulics 70 Selective Control Valve Housing

Selective Control Valve Housing Cessna 30932 Cav 10 Tractor Compact Utility John Deere 1050 Tractor Compact Utility 850 16001 950 20001 And 1050 11001 Compact Utility Tractors 70 Hydraulics 70 Selective Control Valve Housing

850 950 Rear Power Steering Lines Scv 01i07 Tractor Compact Utility John Deere 850 Tractor Compact Utility 850 16001 950 20001 And 1050 11001 Compact Utility Tractors 60 Steering And Brakes 60 850 950 Rear Power Steering Lines

850 950 Rear Power Steering Lines Scv 01i07 Tractor Compact Utility John Deere 850 Tractor Compact Utility 850 16001 950 20001 And 1050 11001 Compact Utility Tractors 60 Steering And Brakes 60 850 950 Rear Power Steering Lines

Exterior Tractor Parts For John Deere Compact Tractors

Exterior Tractor Parts For John Deere Compact Tractors

Abc1396 7 Psi Radiator Cap

Abc1396 7 Psi Radiator Cap

John Deere 950 Tractor Pc2016 1984 Model Year 020007 023000 950 Tractor Pc2016 1985 Model Year 023001 025210 950 Tractor Pc2016 1986 Model Year 026001 027849 950 Tractor Pc2016 1987 Model Year

John Deere 950 Tractor Pc2016 1984 Model Year 020007 023000 950 Tractor Pc2016 1985 Model Year 023001 025210 950 Tractor Pc2016 1986 Model Year 026001 027849 950 Tractor Pc2016 1987 Model Year

Hydraulic Lines Pump To Selective Control Valve 01h24 Combine John Deere 950 Combine Combines 950 960 970 38 Hydraulic Lines Hydraulic Lines Pump To Selective Control Valve 01h24 777parts

Hydraulic Lines Pump To Selective Control Valve 01h24 Combine John Deere 950 Combine Combines 950 960 970 38 Hydraulic Lines Hydraulic Lines Pump To Selective Control Valve 01h24 777parts

Source : pinterest.com